Обнаружен новый регуляторный механизм общий для многих бактерий, который может иметь важные последствия для антибактериальных мер борьбы в медицине и сельском хозяйстве.
Кроме того, этот новый регуляторный механизм имеет значительный коммерческий потенциал для производства биоклея - нетоксичной биологической альтернативы синтетическим клеям на нефтяной основе, которые находят широкое применение в медицине и других важных областях. В исследовании, опубликованном в Proceedings of the National Academies of Sciences, рассматриваются биопленки - бактериальные сообщества, которые образуются на органических и неорганических поверхностях и являются распространенной причиной постоянных инфекций у людей, животных и растений. Бактериальные биопленки также характеризуются более высоким уровнем горизонтального переноса генов, что приводит к распространению генов среди бактерий, в том числе генов устойчивости к антибиотикам.
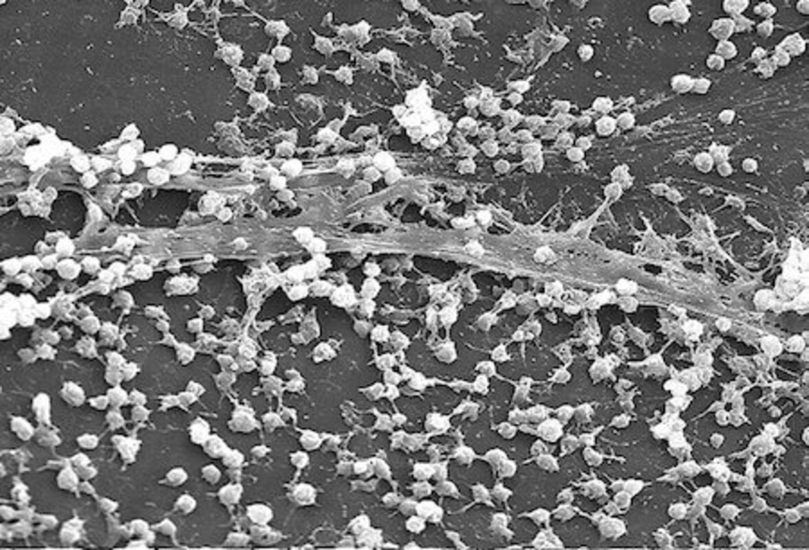
"В основе исследования лежит интерес к бактериальным биопленкам, которые представляют собой нечто большее, чем просто сумму своих частей, и обладают такими свойствами, как повышенная резистентность к антибиотикам", - рассказала ведущий автор исследования Дженнифер Гринвич из Висконсинского университета. Гринвич и соавторы изучали модельную бактерию Agrobacterium tumefaciens, которая является патогеном растений. Предыдущие исследования, проводившиеся в течение нескольких лет, позволили выяснить механизмы формирования биопленок и прикрепления к поверхности в этой системе.
"Мы знаем, что существует "клей", являющийся униполярным полисахаридом (UPP), который вырабатывается на одном конце палочковидной клетки и служит для прикрепления бактерий к незаселенным поверхностям, таким как неживые материалы или ткани хозяина, для формирования биопленки. Производство бактериями UPP в значительной степени регулируется самовоспроизводящейся сигнальной молекулой внутри клеток, известной как c-di-GMP, общей для многих различных бактерий, которая стимулирует формирование биопленки. Проще говоря, высокие уровни внутренних сигнальных молекул c-di-GMP стимулируют образование биопленок и прикрепление к поверхностям, в то время как низкие уровни сдерживают эти процессы", - рассказала Гринвич. Важно отметить, что эти сигнальные молекулы характерны для огромного количества различных бактерий и почти всегда регулирует образование биопленок и то, как бактерии прикрепляются к своим хозяевам, образуя биопленки.
В своем исследовании Гринвич и коллеги обнаружили, что производство c-di-GMP в Agrobacterium регулируется вторым внешним сигналом, находящимся за пределами клеток. Этот внешний сигнал - биологическая молекула, называемая птерином, класс соединений, которые выполняют различные биологические функции, включая метаболизм человека и животных, и производятся во всех сферах жизни.
"Птерины синтезируются животными, растениями, грибами и так далее - практически на всех ветвях древа жизни, но, что важно, птерины также синтезируются бактериями", - говорит Гринвич. Таким образом, "птерин-зависимая сигнализация" может быть новой формой химической коммуникации между хозяевами и бактериями, и/или между бактериями и другими бактериями. Понимание этой регуляторной цепи может привести к новым достижениям в области антибиопленочной терапии".
Гринвич и коллеги описывают, как выделяемые птерины распознаются при взаимодействии с клетками через рецептор на периферии бактериальной клетки. Взаимодействие птерина с рецептором регулирует второй белок, который пронизывает бактериальную мембрану. В свою очередь, часть этого мембранного белка на внутренней стороне бактериальной клетки может управлять производством и деградацией внутреннего сигнала, тем самым контролируя формирование биопленки.
"Захватывающее открытие, - говорит Гринвич, - состоит в том, что мы обнаружили новый регуляторный механизм, общий для многих бактерий. Оказалось, что эта система реагирования и контроля птерина не является уникальной для Agrobacterium, а встречается в большой группе под названием Proteobacteria, которая включает в себя такие патогены человека, как Klebsiella, Vibrio и Pseudomonas, а также многие другие возбудители заболеваний, которые оказывают огромное влияние на здоровье людей, животных и растений". Кроме того, поскольку бактерии и другие организмы выделяют птерины, это может дать представление о том, как бактерии собирают информацию о других организмах в своей среде, а также об условиях окружающей среды, которые стабилизируют или дестабилизируют молекулы птеринов.
"В прикладном смысле понимание этих механизмов и всех этих свойств имеет серьезные последствия не только для лечения заболеваний, но и для использования микроорганизмов в мирных целях", - говорит Гринвич. "Мы стоим на пороге создания стратегий, направленных на формирование биопленок и контроль их формирования". Еще один интересный аспект коммерческого потенциала этого открытия заключается в том, что ученые могут использовать этот регуляторный механизм для производства биоклея, в качестве биологически совместимого, нетоксичного клея.
